广西禾邦科技有限责任公司

联系我们
  • 地 址:南宁市邕宁区蒲庙镇广信路5号D6栋 

    电 话:0771-4060485 

    传 真:0771-4060483

    邮 箱:15778090967@qq.com

物联网控制器DIY
2017-7-10
来源:未知
点击数: 4035          作者:codms
  • 物联网控制器DIY 


      如今随着网络及智能手机的发展,各种网络控制产品纷纷登上舞台依据这些产品我们可以轻而易举的实现各种被控量的远程控制,列如各种家电的智能控制、家居照明智能控制等等都可以方便地通过手机控制与设置。然而这些主流的产品都是工厂生产的,业余条件下是否也可以制作出同样功能的产品呢,特别是需要用进行代码开发也可以制作出同样的产品呢,答案是肯定的。


      
       HBNW83ASD是一款基于物联网的功能型WiFi模组,该模组除了具有普通模组WiFi-UART功能将设备连接到网络的功能外还内置一些功能模块,用户可以通过WEB网页设置或公司的专用设置工具实现不同的产品功能。用户使用该模组开发产品不需要进行代码开发,即可实现基于物联网的新一代智能家居系统系统。下面我们就一种物联网智能家居控制器的模组应用实例说明该模组的用途。
    禾邦功能型WiFi模组采用板载天线或IPEX天线座两种封装方式,板载天线模组如下图所示。

      

    模组脚位定义

    模组尺寸如下

     

     



     

    一、应用模组制作WiFi物联网智能家居控制器

     

    1、制作

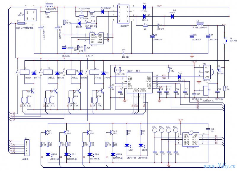
          使用本模组制作智能家居控制器很简单,用户只需要将此模组正确接入电路然后再听感相应设置即可实现强电式物联网智能家居控制器。下图即为控制器的实践电路:

              

     


     

      开关电源供电继电器输出结构,采用开关电源可以为模组提供稳定电源以利于模组稳定工作,采用继电器输出以利于驱动更大功率。
    HB007MK模组已经设置成为电子开关控制器,故不需要再进行设置。
    jk1-4分别接模组的GPIO输出,Q1-Q4用于继电器驱动,Q5-Q8则用于指示灯背光板控制。BS814A是一种感应按键控制器,本电路中用于感应按键输入控制。控制器可以采用上下板结构,上板包括WiFi模组感、应按键驱动、背光显示等,下板包括开关电源、继电器输出等等。
         
    WiFi模组与开关电源、输出继电器等强电部分紧紧靠近,所有系统对电源要求是比较高的。开关电源输出纹波与毛刺需要小于50mV。
            
    将系统接好检测无误即可上电设置调试,首先使用设置工具将各个GOIO口设置完毕。由于本文着重讨论控制器的制作,故GPIO设置不谈,假设用户使用的是设置过的电子控制器模组。设置工具设置将在另外文章中介绍。

     

    2、安装及接线


           图1是智能带控制面板的控制器及纯执行器的接线方式;图2控制中心基站和纯控制面板或镜像控制器的接线方式;图3是控制器的入墙安装方式。

     

    二、物联网智能控制器的基本设置与使用


       智能控制器只需接线正确即可使用,但是如果需要实现物联网的强大功能则必须进行一系列的设置。

     

    1.登录WiFi热点


     
         当正确接入线路上电后控制器即产生其WiFi热点,如HB-IOT-*****等等用户使用可以上网的设备如智能手机、各种电脑等链接该WiFi热点。系统出厂 默认WiFi热点密码为88888888,用户随后可以在用户设置中更改秘密或关闭该热点。 

     
        
    2.设备控制及登录主页


           WiFi热点后可以通过浏览器器访问192.168.5.1(默认IP以后随后可以更改)及进入智能控制器系统控制主页。控制器出厂默认主页为设备控制页面如图4所示。用户可点击相应按键进行控制操作。点击场景控制进入场景控制页面,点击设备搜索进入设备搜索页面,搜寻网内其他智能控制器、点击下以页则进入下一页的设备控制、点击上方的返回设置首页则进入设设置页面。系统出厂默认进入设置需要登录,故此时出现的是登录页面(图5)。系统初始登录用户名及密码均为admin,登录后用户可以在用户设置页面更改为其他用户名及密码。用户登录后即出现智能系统的设置主页图6,点击相应按键即可进入相应设置,下面分别叙述。
              
    通常模组出厂设置为登陆页面:

     

     

     

                       

     此时点击相应按键即可对对应设备控制。点击“返回设置页”即进入用户登陆页面及设置页面分别如下:


     

     

         用户登陆初始用户名及密码都是admin,用户用户可以在用户设置中随时改变。

    3、上网设置
              在设置主页上点击上网设置即进入上网设置页面(图7),再点击搜索网络进入搜索网络页面(图8),选择需要连接的路由器热点即可进行连接。如果用户需要物联网云服务则必须连接路由器,不需要云服务时也可以不用连接路由器,但是连接路由器后使用更方便一些。

     

      

    4、无线设置


     
           在这里可以选择控制器WiFi工作于何种模式以及加密方式密码等等。若用户设置后不再需要WiFi热点,在设置完毕后关闭WiFi热点,即控制器工作模式为STA,此时控制器WiFi工作于STA模式,用户只能通过路由器访问控制器。


     

      9

    5.物联服务设置


     
            通过物联服务用户可以实现控制器的远程观察与控制。在设置主页上点击物联服务即进物联服务页面,用户可以在此页面上填入相应的物联服务供应商服务器地址。如果用户已经取得物联服务权限则会出现如图10页面。点击下方的二维码即可进入本控制器的云服务页面(图11),用户也可以将页面下面的二维码分享给需要的亲友使用。用户可以在浏览器内收藏该网址方便今后调用。云控制支持控制器输出名称实时更新,若控制器输出名称有所更改,只需在此页面下方点击更新数据即可将控制器名称更新。

     

     

     

      10

    6.控制设备


      
           在控制主页上点击控制设备即出现图12的控制页面,点击相应按键即可操作控制,注意此页面无搜索设备选择。

     

      如果用户是通过物联网服务进入的设备控制则出现的是下面的界面:

     

    11

       这是远程云端的控制界面,在浏览器与微信界面均如此,用户可以将二维码打印放置在方便的地方供其他用户使用,用户也可以通过微信分享给其他用户使用,但是微信不支持二次分享,使用时应该注意。


    三、进阶设置与使用

             以上介绍了物联网智能控制器的基本设置与使用,但是如果智能控制器仅仅具有以上功能则是不够的。为了进一步开发开发智能控制器的功能,则必须进行一下设置。

    1、用户设置


      
         这部分设置包括用户名称用户密码等等,其中区域名称包括用户名、登录密码、WEB转发、浏览方式、浏览界面、第一页显示、网络转发红外、背景式样、许可权等等。其中设备名称是在浏览器上面现实的名称,区域名称是系统中所分区域时所使用的名称,当系统分为若干区域后有关联动与这方面的划分有关。许可权是WEB页面访问时的权限。在本页中可以更新许可权页可以搜索同网段设备。

      


     2.设备管理


        点击设备管理则出现如图15的画面,再次点击相应按键则进入相应功能区域。

     

     

                                                 

                                 图15

    2.2.1系统设置:

     

     此区域内点击系统设置进入图16页面,这页可以对设备进行中文命名,对每个输出设备的延时进行设置,延时最大为65536,联动则是需要联动的开关,当系统需要设备同时开启与关闭时请将此关联号设置为相同。

     

     

        16

    2.2.2 红外设置


     击红外设置出现图17,系统支持NEC与RC5红外编码系统,用户可以使用NEC或RC5红外编码的遥控器进行设置。当前红外码即当前所按下的红外码,用户将其填入相应按键即可。用户也可以使用本公司提供的遥控器,只需将遥控器上面的字符填入即可。在本相设置中功能键1功能键2分别对应面板右下按键,在通常设置中功能键1对应总管功能键2对应延时。

             

    图17


    2.2.3 功能设置(图18 )


    本部分设置在于设置场景数量(单个控制器)、虚拟按键数量以及单独延时等等。

     

     

     



    图18


    2.2.4控制规则(图19 ):

     

    本部分可以设置按键的控制规则,包括全部关闭延时关闭等等

    图19


    2.2.5场景设置(图20 ):


    场景按照场景名称命名,用户如果需要场景请将场景按场景名称命名,命名后在各个控制器编辑。

    图20


    2.2.6用户场景控制(图21),设置完成场景控制后用户也可进行相应的场景红外设置。

    未完待续

     

     

     

热门评论
  • 暂无信息

验证码: 验证码,看不清楚?请点击刷新验证码

地址:南宁市中盟产业园

传真:0771-4060483 邮箱:15778090967@qq.com

Copyright ©2015 He Bang Technology CORPORATION All Rights Reserved.技术支持:XXXX